技术文章
TECHNICAL ARTICLES
更新时间:2025-09-24
点击次数:393
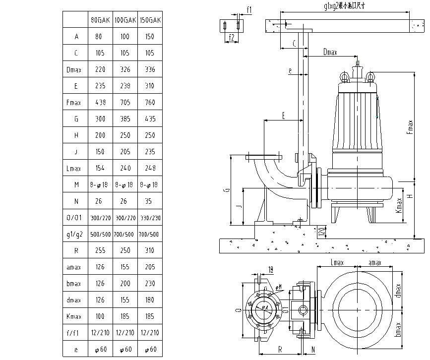
杜安AS75-2CB潜水泵耦合安装说明

(1)安装方法
蜗壳式潜水泵能靠导轨与出水管座作自动耦合连结(除非另有规定),出水管弯座与集水坑内的泵基础应采用基础螺栓连结。自动耦合面应具有可靠和有效的密封,并便于在检查与维修时拆下。每一潜水泵的安装导向系统须配有吊链和合适的起吊设备。井筒式轴流(混流)潜水泵在井筒内设置锥形板,耦合后可靠定位密封。
(2)结构
a. 泵与潜水电机直联,并应具有不堵塞、不过载的特性,在干式或关阀运行时也不会损坏,适用于污水或含颗粒的泥浆。
b. 泵壳和叶轮采用高质量、高强度铸铁制作,泵轴如不与水接触可用碳钢,否则就应采用不锈钢或其他合适的材料。滚球和滚栓轴承密封可靠和良好的润滑,能承受所有的径向和轴向荷载,并易于采购。所有的螺栓、螺钉及水泵的导轨应采用316S12不锈钢。为保证装配精度采用可靠的对中和定位措施。
c. 每台泵配备串联式转轴机械密封,下密封系统在泵和油箱之间,上密封在油箱和电机之间,密封装置在油箱内运行,不需要调节,油箱的设计要保证有一定的空间以容纳由于温度变化而引起的油膨胀,排放管和检查孔要有可靠的防漏油密封,并装在易于检修的位置。机械密封的工作寿命不低于25000小时。
(3)水泵电动机
普通水泵电机采用风冷式鼠笼型感应电动机。潜水泵电动机必须是自冷式或带油冷系统的鼠笼型感应电动机。
电动机具有以下设计特点:
a. 潜水电机防护等级为IP68。
b. 当泵在其特性曲线图的任一点上运转时,电机都不会超负荷。
c. 叶轮较大转速≤3000r/min。
d. 380V,3P,50Hz。
e. 满负荷功率因数不低于0.85。
f. 较大起动电流不超过电机额定电流的6倍。
g. 轴承。NSK品牌
潜水泵电动机的轴承是滚动轴承,为油脂或油润滑密封型的,轴承设计成在所有的运行条件下都能承受轴上的径向和轴向负荷。
i. 对定子线圈和定子引出线,必须采用F级防水绝缘。
j. 电机设计成能连续运转,每小时至少能够起动12次,而不会引起任何有害影响。
k. 水下电缆进线的水密封设计必须符合规定的扭矩要求,以确保水密和潜水密封,电缆进线接线盒和电机要用定子引线密封套或终端板把它们分开,以防杂质进入电机内侧。
l. 电源及控制电缆
接到潜水电机上的电源和控制电缆是潜水型的,并采用柔性的铠装电缆。
水下密封电缆有足够的长度并联结到电机层上墙式的控制盘上,同时,还将防火,防水的启动/停止按钮,安装在合适的地方便于对每台泵进行手动控制。
潜水电机的冷却系统必须保证电机在全浸没条件或在干燥环境里都能连续运行。
m. 电机保护装置
电机具有下述保护装置,把线引至电源和控制板使电缆与遥控报警系统(220v交流电,50Hz)连接起来,如果需用终端箱,应为防火及防水型的。
提供的定子要配备热保护开关,嵌设在定子绕组的三只终端线圈上。
在油箱内要设置渗漏传感器来测定漏油及渗水,以防污水进入定子终端线圈。
(4)附件
a. 泵的不锈钢制铭牌设在显目的地方,板上具有压制详细数据。
b. 每台泵提供启吊柄,吊柄应设在启吊的重心位置,并提供与电动葫芦相配合的吊链。
江苏杜安AS75-2CB潜水泵耦合安装说明
杜安环保生产的潜水排污泵是立式、可提升自动藕合式。水泵应与潜水电机直联成一个整体。每台潜水泵能在全浸没的条件下连续工作,同时能适应于连续运行、间歇运行和长期停止状态后恢复运行。水力部件由水泵壳体、叶轮和耐磨系统组成。为了确保流量稳定且没有过多涡旋,水力部件设计和制造成没有锐利的棱角。泵出水配管法兰应按DIN标准,公称压力1.0MPa。

潜水泵能自由地通过固体颗粒(直径30mm),以及长纤维类物质(长度200mm)。
潜水泵应能自动稳固地与泵的排水连接座耦合连接,并且水泵能在导轨引导下从泵房集水池顶部自由滑动至水泵排水连接座,无需工人下至集水池底部进行检查和安装。
泵和电机的全部重量由泵的排水连接座承担。
用于泵和部件组装的所有螺栓、螺母、垫圈和其他紧固件采用不锈钢304及以上材料制作。
除不锈钢部件外,对所有接触污水的表面涂上防腐涂层作保护。

供货范围:
每台AS75-2CB潜污泵成套配备导杆、出水弯头及所需的附件、吊链、卸扣、紧固件、及水下电缆(导杆、吊链及电缆的长度为标配10米)。
潜水排污泵自动耦合装置的组成:
潜水排污泵的自动耦合装置,包括耦合器、耦合法兰、导杆、上固定板,在耦合底座与耦合滑板的接触面上开有环形凹槽,凹槽上紧密固定有软密封垫。采用上述结构,使耦合滑板和耦合底座的耦合接触面被环形密封凹槽密封牢固.




扫码加微信
服务热线
六合区雄州工业园区腾飞路10-11号
63582753@qq.com
Copyright © 2026杜安环保设备(江苏)有限公司 All Rights Reserved 备案号:苏ICP备2024109432号-3
技术支持:化工仪器网 管理登录 sitemap.xml